 
안녕하세요 얼마전에 아트메가 usb로 문의드렸었습니다.
덕분에 추천해주신 상품으로 연결해서 코딩까지 잘 되었습니다.
그런데 문제가 생겼는데 파워를 연결하고 잠깐 lcd 중앙쯤에 8칸정도 네모모양이 3~5초정도 유지되다가
천천히 외곽부터 무늬가 희미해지면서 점점 모두 사라집니다. 물론 동작도 되지않구요..
lcd 전원을 연결할때 lcd를 따로 전원을 인가해주어야하는건가요?
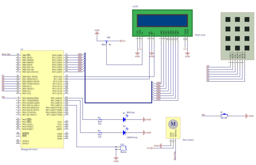
회로도같이 아트메가와 연결된 usb전원 말고 따로 lcd에 전원을 넣어줘야하는지 궁금합니다.
다른곳에 문의할곳이 없어서.. 부탁드립니다 ㅠㅠ
아 인가전압은 5v입니다
1) lcd 제품 링크입니다 http://www.devicemart.co.kr/1271756
2) 회로도와 실제 구성도는 파일로 첨부했습니다
|